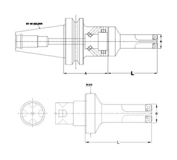
Twin Cutting Edge ID Boring Bars

Twin Cutting Edge ID Boring Bars

Twin Cutting Edge ID Boring Bars
Taper Size Designation OD(D)
SP-TCBR-M40-S1-120-18 80 18
SP-TCBR-M40-S1-120-20 120 20
SP-TCBR-M40-S1-120-25 120 25
SP-TCBR-M40-S1-120-30 120 30
SP-TCBR-M40-S1-120-32 120 32
SP-TCBR-M40-S1-120-36 120 36

NOTE

• Customized size can be done as per the customer requirement.

• Holder can be BT/HSK/SK.

• Holder is as per Spectra standard modular as per catalogue.

INSERT DETAIL
S1- SXMT060204
S2- SXMT09T304